About NSRRC / Organization

Instrumentation Development Division > Cryogenics Group

The Cryogenics Group in NSRRC is a team of experts in the cryogenic field in Taiwan, their expertise include the development of liquid helium and nitrogen cryogenic systems, automatic liquid nitrogen supply system , design of cryogenic components for cryogenic applications as well as operation of liquid helium and liquid nitrogen system and regular cryogenic system maintenance.

  1. TPS liquid helium cryogenic system
  2. TPS liquid helium cryogenic system
  3. Liquid nitrogen supply system
  4. TPS liquid helium transfer system
  5. Multi-Channel Line for cryogenic fluid
  6. Develop of Separator Cooling System for helium
  7. Development of Gas Helium Purifier
  8. Development of Cryogenic Vacuum Insulated Transfer Line

TPS liquid helium cryogenic system

To provide high brightness hard x-ray light source, the Electron Photon Source in NSRRC has been using superconducting cavities and superconducting magnets for a few years now to increase the beam current and to stabilize the electron beam of the storage ring. To maintain the cavities and magnets in its superconducting state, liquid helium and liquid nitrogen are used to provide the cryogenic environment needed. The purpose of the cryogenic system is to construct and maintain LHe and LN cryogenic facilities to meet its need for Superconducting high-frequency cavity, superconducting magnet. The liquid helium cryogenic system built in NSRRC is the biggest liquid helium system in Taiwan, the Cryogenic Group in NSRRC has developed many techniques in developing cryogenic applications for example, planning and designing Helium liquefaction cryogenic system, liquid helium manufacturing process, long-distance liquid helium piping, high-purity helium storage, helium purification, two sets of low-temperature cryogenic systems which can support each other and other related low temperature technology, Research on public safety issues, these techniques developed will enhance the technology of cryogenics in Taiwan. The first set of cryogenic system for TLS in NSRRC can produce 134 liters of liquid helium per hour, the biggest cooling power will occur at -268.5℃ which is 469W, the second set of cryogenic system for TLS in NSRRC can produce 138 liters of liquid helium per hour, the biggest cooling power will occur at -268.5℃ which is 457W. The components of the LHe cryogenic system are divided into four parts which is the compressor and oil filter, helium storage tank, liquefaction system and liquid helium storage tank, each part corresponds as a liquid helium process for the cryogenic system. Liquid helium manufacturing cycle: compression of gas → cooling → liquefaction →expansion → gas compression. The ideal thermal cycle efficiency of the system is 1.42%, the actual thermal cycle efficiency is 0.16%.

 
 
 
 
 
 

TPS liquid helium cryogenic system

The purpose of the cryogenic system for the Taiwan Photon Source (TPS) is to construct and maintain LHe and LN cryogenic facilities to meet its need for Superconducting high-frequency cavity, superconducting magnet. To maintain the cavities and magnets in its superconducting state, liquid helium and liquid nitrogen are used to provide the cryogenic environment needed. The cryogenic system for TPS in NSRRC can produce 239 liters of liquid helium per hour, the biggest cooling power will occur at -268.5℃ which is 890W. The cryogenic system for TPS is now the biggest liquid helium liquefier in Taiwan, all liquid helium produced by the cryogenic system are used to cool the Superconducting high-frequency cavities, helium will be re-condensed and used. Superconducting cavities are used in the TPS to produce high brightness hard x-ray light source by increasing the beam current and to stabilize the electron beam of the storage ring. The Cryogenic Group in NSRRC has enhanced many techniques in developing cryogenic applications for example, planning and designing Helium liquefaction cryogenic system, liquid helium manufacturing process, long-distance liquid helium piping, high-purity helium storage, helium purification, two sets of low-temperature cryogenic systems which can support each other and other related low temperature technology, Research on public safety issues, these techniques developed will enhance the technology of cryogenics in Taiwan. The components of the LHe cryogenic system are divided into four parts which is the compressor and oil filter, helium storage tank, liquefaction system and liquid helium storage tank, each part corresponds as a liquid helium process for the cryogenic system. Liquid helium manufacturing cycle: compression of gas → cooling → liquefaction →expansion → gas compression. There are many applications for the cryogenic system, mainly used in Industrial and medical which can be seen in in our daily life for example, medical, semiconductor, gas industry, telecommunications, electronics, biochemistry, vacuum coating.

 
 
 
 

Table: Performance of liquid helium cryogenic system in different modes

模式 Liquid helium storage tank pressure Precool using liquid nitrogen Result
Liquefaction mode 1.35 No 72 L/h
Liquefaction mode 1.35 Yes 239 L/h
Liquefaction mode 1.35 No 544 W
Liquefaction mode 1.35 Yes 890 W
Mix mode (Liquefaction + cooling) 1.35 Yes 870 W and 36 L/h

Liquid nitrogen supply system

The Cryogenic Group has installed a liquid nitrogen supply system at NSRRC, used for suppling liquid nitrogen to cryogenic systems as well as SRF cavities, super conducting magnets and beam line experimental usage. The nitrogen supply system includes an 60000 liter liquid nitrogen storage tank, 1 kilometer liquid nitrogen transfer line, 2 sets of liquid nitrogen regulator which can contain 250 liter and 1000 liter of nitrogen, 24 branch sections connected to beam lines experimental station for experiment usage.

There are many laboratory and research users that need the use of liquid nitrogen in NSRRC, in the past when liquid nitrogen is required, ordering liquid nitrogen from other companies is needed, the Cryogenics Group at NSRRC has referenced from other large laboratories abroad and established an automatic liquid nitrogen filling system, this allows the users to be more convenient to access liquid nitrogen. The average liquid nitrogen used from the filling system per month is around 4000 kilograms.

 
 
 
 

TPS liquid helium transfer system

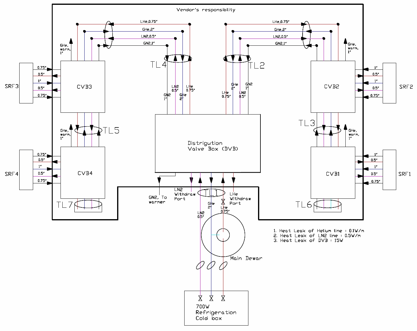
TPS liquid helium transfer system is connected to the cryogenic system and SRF system, the purpose of the transfer system is to transfer liquid helium and liquid nitrogen as well as to recover helium used by the SRF system. The transfer system includes a DVB (16 cryogenic valves), 4 control valve boxes (14 cryogenic valves for each control valve box) and 7 section of multichannel transfer line of up to 125 meters (The multichannel transfer line includes four transfer lines, which are liquid helium supply line, liquid nitrogen supply line, gas helium return line and nitrogen gas return line respectively). The overall thermal load test results are 110W at 4.5K.

 
 
 
 

Multi-Channel Line for cryogenic fluid

The refrigerant of Cryogenic Systems is cryogenic fluids, the volume of cryogenic fluid would expand several hundred times after gaining heat when flowing through the pipeline causing two phase flow, this will cause major heat loss, to maintain cryogenic fluids in its state, the temperature has to be maintained at very low temperature, for example liquid Helium needs to be maintained under 4.5K, however to let liquid helium turn into gas helium, only 20 W is needed. Therefore, the Multi-Channel Line is developed in the system to prevent heat from conducting in and letting liquid helium vaporize and also to prevent other cryogenic fluid with different temperatures to interfere with each other. Developing the new low heat loss multichannel transfer line is one of the main topics the Cryogenic Group is focusing on, several mechanical parts have been designed to reduce heat loss and meet its needs, for example the G10 Spacer, in the multi-channel line, different kinds of cryogenic fluids with different spacers are used, the special geometric design of the G10 spacer could block most of the interferences caused by different temperature cryogenic fluid.

 
 

Develop of Separator Cooling System for helium

Nowadays, many laboratories and industries have applications which require liquid helium. Some small-scale Liquid helium producing system developed now have been used on combined refrigerator. Due to low latent heat of liquid helium, the heat loss will bring inevitable two-phase flow with considerable pressure gradient of transfer line after long distances of transfer. This situation deteriorates the transfer efficiency. If the cryostat of user is not continuously filled with liquid helium, it will cause the system shut down. Cryogenics Group of NSRRC has developed a separator cooling system for helium to solve this problem. A helium phase separator placed at the upstream side of cryostate, in addition to decrease the gaseous phase during transfer of liquid helium. To increase the efficiency of helium transfer and re-condense the vaporized liquid helium. The advantages of this separator cooling system is that it is a closed heat exchanger, it could be placed on our transfer line and could be connected with many separator cooling system if needed while making the whole system a closed circuit , blocking all impure gas from flowing in the system causing damage to our system. The Separator Cooling System developed in the Cryogenics group is collocated with the 4K cryocooler and is shielded in many areas to prevent heat radiation, this could reduce the heat load tremendously, and can successfully condense gas helium to liquid helium (295K->4K), the total cooling power is 0.73W@4.8K, and total heat loss of the system is 1.2W@4.8K.

 
 
 

Development of Gas Helium Purifier

Maintiaing the purity of gas helium (>99.9997%) is a very important issue to the cyogenic system. While under stable operation, the purity of gas helium should remain the same due to the system is a closed system, but due to regulatory inspection of high pressure vessels, maintenance of compressors, leaks or negative pressure in helium pipelines will sometime lead to inevitable contamination (oxygen, nitrogen and water). Designing a cryogenic purifier, analyzing purification and regeneration effect is therfore an important task for the Cryogenics group. The cryogenic purifier can eliminate about 99 percent of the impurity gas within the cryogenic system. At NSRRC, two sets of automatic cryogenic helium purification system is built, each containg five purifiers, for each purifier, 95 cubic meters of helium is allowed to flow through per hour. The result of purification can be obseved through the gas analyzer, these two sets of automatic cryogenic helium purification system has been under operation for many years and can effectivly reduce gas contaminations and inbrease the purity of gas helium in the system.

 

Development of Cryogenic Vacuum Insulated Transfer Line

At NSRRC, the Cryogenics Group has developed a cryogenic vacuum insulated transfer line for liquid nitrogen, the inner pipeline allow liquid nitrogen to be transferred while the outer pipeline is vacuum insulated. The degree of vacuum is kept bellow 1×10-4 torr to prevent heat convection, the outer surface of the inner pipeline is wrapped with multiple layers of Multilayer Insulator to prevent heat radiation and a specially designed spacer is used to support the two pipelines to prevent the contacting each other. A special vacuum head is designed for vacuum pumping, it contains some mechanical parts and a O-ring, allowing the pipelines to be kept under high vacuum.

 
English NameJob ResponsibilitiesEmail
Huang-Hsiu Tsai#
  • Operation and analysis of cryogenic system for TLS
  • Designation of cryogenic system for TPS
  • Performance study of cryogenic system
Contact person
hhtsai@nsrrc.org.tw
Feng-Zone Hsiao
  • Cryogenic system of TLS
  • Cryogenic system of TPS
  • Cryogenic system technique research
Hsing-Chieh Li
  • The Archives of Signals for Cryogenic System
  • Maintenance and Calibrations of Electronic Facilities for Cryogenic System
  • The Development of Monitoring and Control System
Wun-Rong Liao
  • Cryogenic multi-channel transfer system
  • Numerical analysis on heat transfer mechanism in liquid helium phase
  • Numerical analysis on two-phase flow in cryogenic system
  • Thermal analysis with CAE engineering
Sheng-Hsiung Chang
  • Management for helium compressor and various frequency driver
  • Management for engineering construction
  • Maintenance and management of utility facilities for cryogenic system
Ping-Shun Chuang
  • Cryogenic multi-channel transfer system
  • Numerical analysis on heat transfer mechanism in liquid helium phase
  • Numerical analysis on two-phase flow in cryogenic system
  • Thermal analysis with CAE engineering
# Group Leader
* Fixed-term Employee